


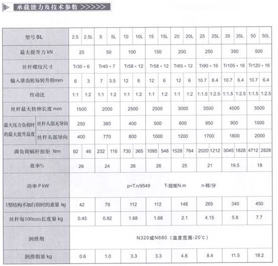
SL系列錐齒輪升降機(傘齒輪絲桿升降機)是一種基礎起重部件,承載能力2.5-50T。
SL錐齒輪升降機(傘齒輪絲桿升降機)主要特點有:效率高、使用壽命長、容易調整減速比。同時具有結構緊湊、體積小、重量輕、動力源廣泛、無噪音、安裝方便、使用靈活、功能多、可靠性高等許多優(yōu)點。具有提升、降落、推進、翻轉等多功能、能按一定程序準確地控制調整提升或推進的高度。可以用電動機或其他動力直接帶動。也可以手動。最高輸入轉速500r/min,最高提升速度2.7m/min。有不同的結構型式方式,提升高度按用戶的要求制造。該裝置可自鎖。



